to DMG-Lib main page
Home  · Site map  · Contact  ·

Advanced Search   Mechanism Search

Detectores de metales, in: Dyna, Volume 29. 1954

thumbnail
Dokument öffnen (benötigt JavaScript)   Open document

General information

Author Blasberg, E.; Groot, A.
Published  Dyna Journal, Bilbao, Spain, 1954
Edition  
Extend  
ISBN
Abstract "Detectores de metales"
Blasberg, E.; Groot, A., "Detectores de metales". Artículo procedente de los artículos publicados por Dyna Journal, vol. 29 No. 1, pp. 24-29, Bilbao, Spain, (1954).
www.revistadyna.com
Collections
Journal articles
1950-1999
Superordinate work
 
no fulltext found Volume 29. 1954, in: Dyna
Author: Azaceta, Esteban; Blasberg, E.; Groot, A.; Borrel Mas, Francisco; Sánchez Ruíz, José Antonio; Truan, Antonio; Velasco de Pando, Manuel; Z.L., Rowley; B.G.A., Skrotzki; Ramón, lucas Ortueta; Enrrique, Borrás Burcart
Published: 1954
Images
 
Scheme of the iron detector amplifier.
Click to enlarge
Metal detector.
Click to enlarge
Fundamental diagram of the generator of a metal detector.
Click to enlarge
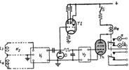
Esquema de la parte amplificadora y detectora de metales
Click to enlarge
Generator of  metal detector
Click to enlarge
Metal detector that is used for the control of the material used in the manufacture of innografo disks.
Click to enlarge
Iron detector operating sistem.
Click to enlarge
Photograph of an iron detector.
Click to enlarge
A textile machine equipped with a iron detector.
Click to enlarge
Linked items
Images: Metal detector.
Documents: Volume 29. 1954
Permanent links
DMG-Lib FaviconDMG-Lib https://www.dmg-lib.org/dmglib/handler?docum=26394009
Europeana FaviconEuropeana  http://www.europeana.eu/portal/record/2020801/dmglib_handler_docum_26394009.html
Data provider
UBCUniv. Basque C.  http://www.ehu.es/compmech/welcome/Home.html
Administrative information
Time of publication 1954

nach oben up
×